BRAND
- Kallista
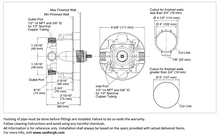
- ORIGIN: USA
- PRODUCT DESCRIPTION: Pressure-balancing technology maintains water temperature within +/- 3 degrees Fahrenheit, High-temperature limit stop allows you to preset a comfortable maximum temperature to eliminate scalding
- MODEL No. : P24915-ADW-AD
- FINISH/COLOUR: Nickel Silver
REQUIRED MATCHING PARTS to buy separately
- P19310-00-NA Kallista pressure balance rough-in





